6852fd885f1cc0.61218368_710x0.jpeg)


Компания Alasca занимается разработкой, производством и продажей оборудования для вентиляции помещений. Она была основана в 2008 году и за время своего существования успела зарекомендовать себя на рынке как надежный поставщик качественных решений для вентиляции.
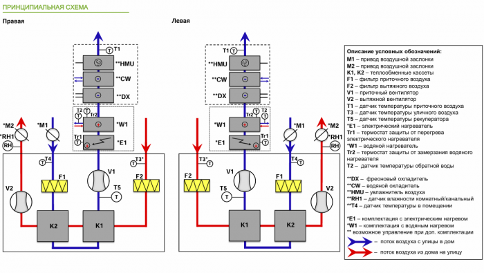
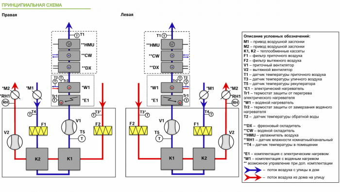
Одним из основных продуктов компании являются рекуператоры воздуха. Это устройства, которые позволяют экономить энергию за счет использования тепла отходящего воздуха для нагрева приточного. При этом оба потока воздуха не смешиваются, что позволяет сохранить эффективность системы на высоком уровне.
Кроме рекуператоров компания предлагает широкий ассортимент приточно-вытяжного оборудования. Это системы, которые обеспечивают постоянный приток свежего воздуха и удаление загрязненного. Они могут быть использованы как в жилых, так и в коммерческих помещениях.
В целом, компания Alasca предлагает комплексные решения для вентиляции, которые сочетают в себе высокую эффективность, экономичность и простоту использования.